PVC Liner Profile – Horizontal Type (GR.58)
PVC Liner Profile - Horizontal
- Symbol: 060301005
⚙️ PVC Liner Profile – Horizontal Type (GR.58)
The PVC Horizontal Liner Profile (GR.58) is a precision-engineered mounting and fixing profile designed for secure and watertight attachment of PVC liners in swimming pools.
Manufactured from high-quality rigid PVC, it provides excellent mechanical stability, UV resistance, and long-term durability in humid and chlorinated environments.
This horizontal profile is typically mounted at the pool wall–deck junction or around the pool perimeter, ensuring a clean finish and reliable liner fastening.
Its specific geometry allows for the integration of PVC plasticised strips (e.g. GR.51 or GR.54) to achieve a permanent, leak-free seal.
✅ Key Features
-
Horizontal liner fixing profile made of rigid PVC
-
Ensures strong mechanical hold and watertight liner installation
-
Designed for liner welding and anchoring applications
-
Compatible with PVC plasticised strips GR.51 / GR.54
-
Chemical and UV-resistant – ideal for pool environments
-
Provides aesthetic edge finishing and protection
-
Length: 2 m (standard bar)
-
Can be installed with adhesive or mechanical fasteners
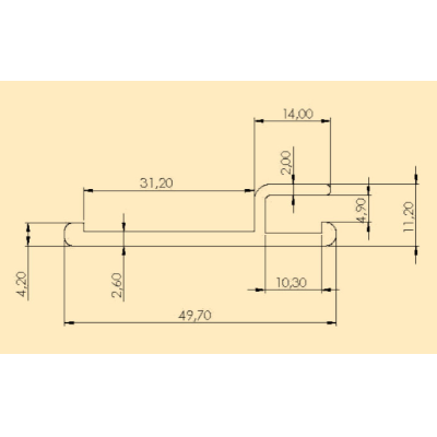
📏 Technical Specifications
-
Model: GR.58 (Horizontal PVC profile)
-
Material: Rigid PVC, UV and chlorine resistant
-
Length: 2 m bar
-
Overall width: 49.7 mm
-
Height: 11.2 mm
-
Groove dimensions: fits 9×2.9 mm or 35×10 mm PVC strips
-
Color: White / light grey
-
Mounting: Horizontal (wall or floor edge)
📍 Typical Applications
-
Fixing PVC pool liners in new installations or renovations
-
Horizontal mounting on pool walls, steps, and edge joints
-
Suitable for commercial and private swimming pools
-
For use in combination with DEPA grating and liner systems
